Single Pin Customized Pin Header (HP200DA-1670)
Feature
Specifications
Current Rating |
1A AC/DC |
Voltage Rating |
30V AC/DC |
Contact Resistance |
20mΩMax. |
Operating Temperature |
-40℃~+105℃ |
Insulation Resistance |
5000MΩ |
Withstanding Voltage |
500V AC/60S |
Max Processing Temperature |
260℃ for 10 Seconds |
Contact Material |
Copper Alloy, Plating Au/ Sn or others |
Housing Material |
Thermoplastic or High Temperature Thermoplastic, UL 94V-0 |
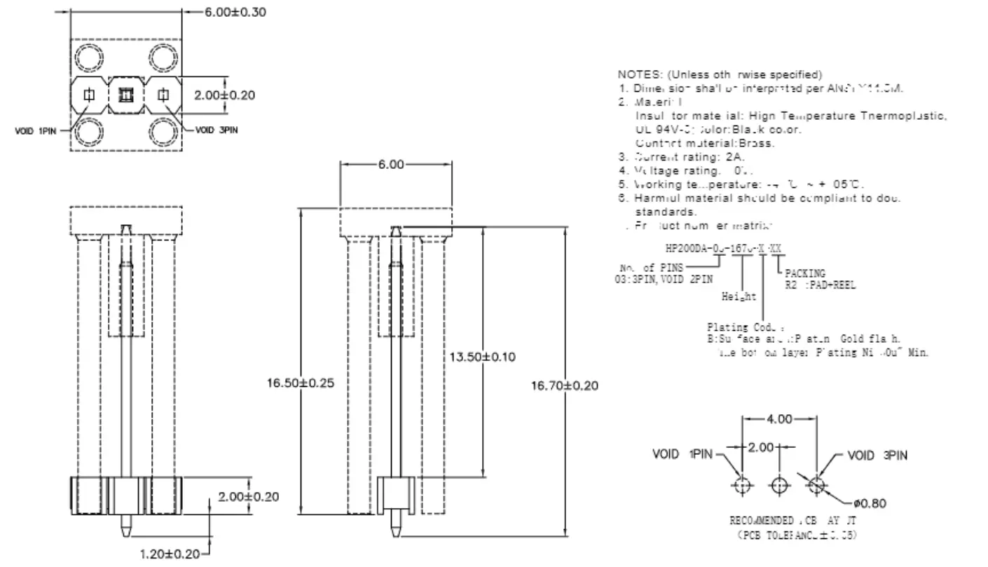
Dimension Drawings

Advantages
One of the main advantages of single-pin custom pin headers is their customizability. With a variety of available options, including different lead lengths, plating options and mounting methods, this product can be customized to meet the specific requirements of your project. Whether you require a specific pin length to fit a specific design or specific plating options to enhance conductivity, single-pin custom pin headers can be customized to meet your exact specifications.
In addition to customizability, single-pin custom pin headers offer many other advantages. Its compact size and lightweight design allow it to be easily integrated into a variety of electronic devices and systems. High-quality materials and construction ensure reliable performance even in demanding environments. Additionally, the product is designed for easy installation, saving time and effort during assembly.
Applications
Single-pin custom pin headers are suitable for a wide range of applications in various industries. This product can be used in a variety of devices and systems, from consumer electronics to industrial equipment. Its versatility and customizability make it an excellent choice for applications where standard off-the-shelf solutions may not meet the specific requirements of the project.
In the consumer electronics industry, single-pin custom pin headers are used in devices such as smartphones, tablets, and wearable technology. Its compact size and customizable options make it ideal for manufacturers looking to create stylish and efficient electronic devices.
In the industrial sector, single-pin custom headers are used in a variety of equipment and machinery where reliable and precise connections are critical. Its durability and customizability make it ideal for use in harsh environments and demanding applications.
Overall, single-pin custom pin headers combine precision, durability, and customizability, making them an excellent choice for a variety of electronic connection needs. Whether you are working on a consumer electronics project or an industrial application, this versatile product can be customized to your specific requirements, ensuring reliable performance and seamless integration into your design.



